With the continuous development of social progress, China's urban power grid has undergone tremendous changes, and most cities have formed or are forming more and more electricity load intensive areas. The past mode that power from 12/24kV line of substation supplied to direct users is difficult to meet the needs of urban development. Thus the mode of supplying power through sub-section post is created. However, with the intensification of urban densification, some of the original civil-type sub-section post has been limited because of land and urban planning, resulting in the appearance of more advanced and practical outdoor intelligent sub-section post( outdoor ring net cabinet).This kind of sub-section post, does not need civil and occupies less area, configuration is flexible, power supplied method is reliable, installation and debugging time is greatly shortened, the overall cost is also reduced.
With the development of modern industry, the degree for automation and intelligence of electrical controlling equipments is increasingly higher, making use of modern electronic technology, sensor technology, communications technology, computer network technology to integrate electrical equipments' monitoring, protection, control, measurement under normal or accidental conditions, to achieve good governance, of which has become an inevitable trend and main direction of development.
Intelligent sub-section post (outdoor ring net cabinet) adopts and refers to aboard advanced technology. Install and debug 12/24 KV PT, sub-section post FTU,RTU,CCU , 12/24kv measure and automatic reading meter, USP power supply and instruction meter, then put into a movable, sealed moist-proof, stainless steel box, which help achieve the integration of urban distribution grids' first, second system and modularization of assembly, shorten the construction period, greatly improve the reliability of the urban power grid operation.
Product features
Case has a strong anti-corrosion ability; small size, small footprint, does not block the line of sight, light weight, beautiful appearance, compact structure, reasonable layout, can be used more than 30 years.
has a special door/lock structure, good antitheft, good outdoor operation and rainproof performance.
exterior color can be designed according to user's requirements, the user can choose the color blending with the surrounding environment.
the product implements the dust-proof, moisture -proof, condensation –proof
A Schematic
◇ GB/T 11022 common technology requirements of H.V. switchgear and control equipment (eqv IEC 60694)
◇ GB 3906 3.6 ~ 40.5kV AC metal enclosed switchgear and control equipment(IEC62271-200)
◇ GB 3804 3.6 ~ 40.5Kv H.V. AC overload switchgear(IEC60265-1)
◇ GB 16926 H.V. AC overload switchgear---- Fuse combinations(eqv IEC60420)
◇ GB 8905 management and pilot test of gas in sulfur hexafluoride electrical equipment (nep IEC480)
◇ GB/T 311.1 insulation coordination of high-voltage power transmission equipment (nep IEC60071-1)
◇ GB/T 12706.1,2,4 rated voltage 1kv(Um=1.2kv) to 35kv(Um=40.5kv) extruded insulated power cables and accessories section 1st, 2nd, 4th, part(eqv IEC60502-1,2,4)
◇ GB/T 4109 high voltage bushing technical conditions (eqv IEC 60137)
◇ GB/T 7354 partial discharge measurements (eqv IEC 60270)
◇ GB/T 16927.1 high voltage test techniques Part 1: General test requirements (eqv IEC 60060.1)
◇ GB/T 17467 high / low voltage prefabricated substations (eqv IEC 61330)
Model Constitution and Significance

Normal operational conditions
Environmental temperature:-45°C ~ +40°C
Altitude: ≤ 2500m
Relative humidity: ≤ 95% (daily average), ≤ 90% (monthly average);
Seismic horizontal acceleration: ≤ 0.3g;
The place without risk of flammable, explosive, chemical corrosion and severe vibration;
Installation location inclination ≤ 5 °;
Wind Speed: ≤ 34m / s
Note: if you can not meet above conditions, users can discuss with manufactures.
Product structure
1, intelligent large-scale sub-section post(outdoor ring net cabinet) adopts advanced structural design; material uses stainless steel plate of which surface is powder coated(also can use APCP or fiberglass reinforced cement board according to users' request), thickness is not less than 2mm, completely achieve fully sealed and insulating purpose.
2, surface of cabinet has no fasteners for disassembly, and has special door/lock structure, good antitheft; protective level of casing reached IP33.
3,cabinet lid is air interlayer type double layers structure, and equipped with a vent; air inlet located in the lower portion, the outlet located at the top, and hidden beneath the eaves; form a top-down air convection, make the cabinet have good heat insulation and ventilation appearance.
4, about switch of cabinet, you can choose SF6 overload switch, or vacuum circuit breaker. SF6 switchgear is fully sealed structure, no need to install heaters, has no frost condensation problems; cable connector is flood-proof , touch-type, not afraid of water. If the product is equipped with FTU, we can add strong ventilation and heater according to request.
5,cabinet uses highly elastic sealed strips to seal, make the product be dust-proof, frost condensation-proof. Equips special designed locks in the door.
Basic performance parameter
| No. | Name | Unit | Parameter | ||||||||
| 1 | Rated voltage | kV | 12/24 | ||||||||
| 2 | Rated current | A | 630 | ||||||||
| 3 | Rated frequency | Hz | 50 | ||||||||
| 4 | Rated active load drop out current | A | 630 | ||||||||
| 5 | Rated closed-loop drop out current | A | 630 | ||||||||
| 6 | Rated cable charging drop out current | A | 10 | ||||||||
| 7 | Rated short circuit closing current(peak vaule) | kA | 50 | ||||||||
| 8 | Rated short time withstand current(3s) | kA | 20 | ||||||||
| 9 | Rated short time frequency withstand voltage | kV | 42/50 | ||||||||
| 10 | Rated lightning impluse withstand voltage | kV | 95/125 | ||||||||
| 11 | Loop resistance | μΩ | ≤ 100 | ||||||||
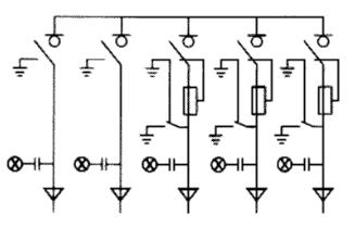
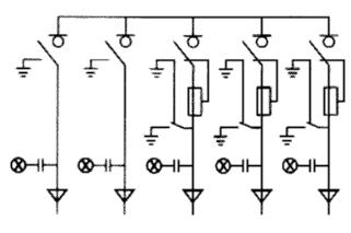
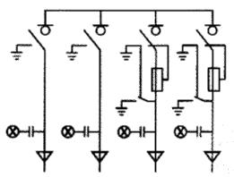
A wiring diagram scheme of XGW15-12/24 outdoor intelligent sub-section post( outdoor ring net cabinet)
| Design No. | A wiring diagram scheme | Design No. | A wiring diagram scheme | Design No | A wiring diagram scheme |
| 01 | ![]() | 05 | ![]() | 09 | ![]() |
| 02 | ![]() | 06 | ![]() | 10 | ![]() |
| 03 | ![]() | 07 | ![]() | 1 1 | ![]() |
| 04 | ![]() | 08 | ![]() | 1 2 | ![]() |
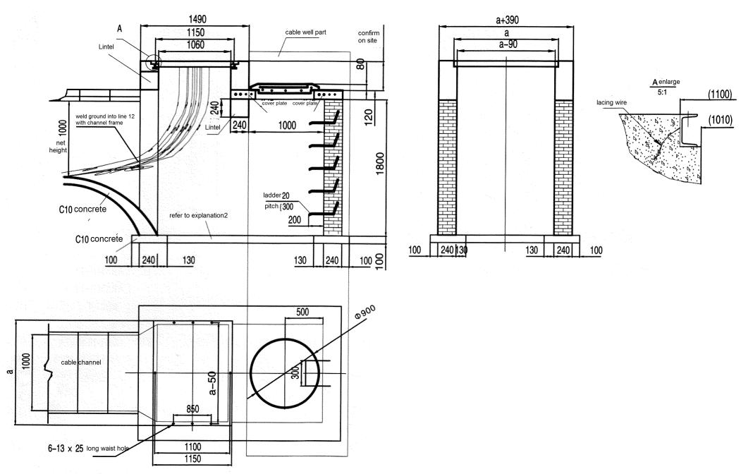
Base drawing of installation( for reference)

| Program | Outdoor intelligent sub-section post( outdoor ring net cabinet) | |||
| 01,05,09 | 02,06,10 | 03,07,11 | 04,08,12 | |
| a(mm) | 1010 | 1400 | 1800 | 2200 |
| b(mm) | 900 | 1100 | 1100 | 1100 |
| c(mm) | 700 | 850 | 850 | 850 |
| model | ||||
Explanation:
1, Brick wall M5 is modeled by cement mortar, use cement mortar of that proportion is 1:2.5 to paint the internal and outer edge of ground.
2, About the bottom, you should do waterproofing for the part which is under groundwater level, or do water seepage treatment.
3, Lintel adoptsΦ6 rebar and concrete 20 to manufacture.
4, Do anti-corrosion treatment for 8# channel base after it is processed and welded.( users choose specific anti-corrosion method)
5, after 8# channel base is put into base notch, use lacing wires and concrete to fix.
6,users can choose to not do cable well according to site-specific( section with dotted lines)
Installation, operation, debugging and some notices
Before being used, sub-section post need be done below inspections:
Check whether paint film is flaked, inside of complete equipments is clean.
If operational equipments is flexible
If connect and cut of main electrical are reliable and correct
If the change ratio of meter and mutual inductor , or wiring polarity is correct
If connect and cut of electrical auxiliary contacts are reliable and correct
If all electrical installation fastening are secured, electrical installation is solid and reliable
If connection of all bus-bar is well
If electric setting value meets the requirements, the fuse is correct
If the action of meter and relays is standard and has no mistakes
If electrical contacts of main loops and auxiliary loops are consistent with requirements for electrical schematics
Close all doors which can be opened
Close 10 kV power, observe the working condition of meters, if it is normal, the product can be used.
Supplied Accessories
● One user's guide , specifications of chosen major electrical components;
● Product certification of quality , factory test reports, packing list;
● Electrical schematics and secondary wiring diagram, spare parts, special tools and wear parts which are promised in contract or agreement
Ordering Information
When you make order, pls offer below information
● Products' model, name, order quantity, rated voltage, rated current
● Mechanical models (K, A-type), remark operating voltage when choose electrical operation;
● models and specifications for combination electrical fuse
● name and quantity of spare parts(each five loads has one operating handle), other special requirements